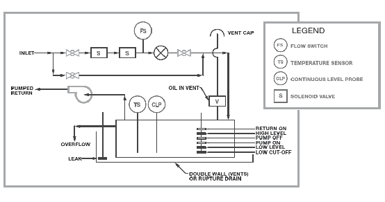
Day tanks are designed to reliably provide fuel oil storage for emergency generators or boilers. The day tanks are a complete package with all the required instrumentation and pumping equipment mounted to the day tank. Control panels can be mounted to the day tank or mounted close by (wall mounted), these control panels are UL508 designed.
Day tanks are available in either double wall (closed top) or open top (rupture basin). Double wall will typically have 110% containment while the rupture basin will have 160% containment. They are available in any size and shape. These tanks can be custom designed to meet any size restriction (door openings or height restrictions). All tanks are UL142 and are typically fabricated of 10 gauge steel.

Features
• Double Wall or Single Wall with Rupture Basin
• Leak Indication
• Multi Level Switch Control of Pumps
• Continuous Level Indication
• Return Pump for Safety and Flexibility
• Locally Mounted Control Panels
Applications
• Local Oil Storage For Generators or Boilers
• Oil Transfer Points
• Emergency Return or Hot Oil Return Applications